Магазин запчастей для бытовой техники - Arlos
Москва
close
Выберите ваш регион
АбаканАлександровАльметьевскАнгарскАрзамасАрмавирАртемАрхангельскАстраханьАчинскБалаковоБалашихаБеларусьБелгородБердскБерезникиБийскБлаговещенскБратскБрянскВеликий НовгородВидноеВладивостокВладикавказВладимирВолгоградВолгодонскВолжскийВологдаВолховВоркутаВоронежВоскресенскВыборгГатчинаГеленджикГрозныйДедовскДербентДзержинскДзержинскийДимитровградДмитровДолгопрудныйДомодедовоДонецкЕвпаторияЕгорьевскЕкатеринбургЕлецЕссентукиЖелезногорскЖелезнодорожныйЖуковскийЗеленоградЗлатоустИвановоИвантеевкаИжевскИркутскИстраЙошкар-ОлаКазаньКалининградКалугаКаменск-УральскийКамышинКаспийскКемеровоКерчьКировКисловодскКлинКовровКоломнаКомсомольск-на-АмуреКопейскКоролёвКостромаКотельникиКрасногорскКраснодарКраснознаменскКрасноярскКурганКурскКызылЛенинск-КузнецкийЛипецкЛобняЛыткариноЛюберцыМагнитогорскМайкопМалаховкаМахачкалаМиассМоскваМурманскМуромМытищиНабережные ЧелныНазраньНальчикНаро-ФоминскНахабиноНаходкаНевинномысскНефтекамскНефтеюганскНижневартовскНижнекамскНижний НовгородНижний ТагилНовокузнецкНовокуйбышевскНовомосковскНовороссийскНовосибирскНовоуральскНовочебоксарскНовочеркасскНовошахтинскНовый УренгойНогинскНорильскНоябрьскОбнинскОдинцовоОктябрьскийОмскОрелОренбургОрехово-ЗуевоОрскПавловский ПосадПензаПервоуральскПермьПетрозаводскПетропавловск-КамчатскийПодольскПрокопьевскПсковПушкиноПятигорскРаменскоеРеутовРостов-на-ДонуРубцовскРыбинскРязаньСакиСалаватСамараСанкт-ПетербургСаранскСаратовСевастопольСеверодвинскСеверскСергиев ПосадСерпуховСимферопольСмоленскСосновый БорСочиСтавропольСтарый ОсколСтерлитамакСтупиноСургутСызраньСыктывкарТаганрогТамбовТверьТихвинТольяттиТомилиноТомскТроицкТулаТюменьУлан-УдэУльяновскУссурийскУсть-ИлимскУфаУхтаФеодосияФрязиноХабаровскХанты-МансийскХасавюртХимкиЧебоксарыЧелябинскЧереповецЧеркесскЧеховЧитаШахтыЩелковоЭлектростальЭлистаЭнгельсЮжно-СахалинскЯкутскЯлтаЯрославль
  • - бесплатно по РФ
    Автоперезвон. Работает по принципу: Вы позвонили на номер, мы сбрасываем звонок и перезваниваем через 3 секунды.
  • - по Москве
  • 8 (925) 663-83-63

Call-центр

пн-вс: 10:00-19:00

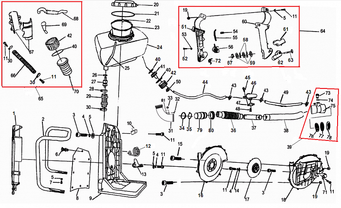
2 БАК - УЛИТКА - КРЫЛЬЧАТКА ОПРЫСКИВАТЕЛЬ-РАСПЫЛИТЕЛЬ CHAMPION PS257

NАртикулНазваниеСрок отгрузкиЦенаКупить
1 02050060010 Ремень подвеса 258 р.
2 02010030008 Рама
3 03010040057 Болт М5х20
4 03050010015 Шайба 5
5 03040020020 Шайба 5
6 02110030174 Клипса 11 р.
7 03010040031 Винт 3,5х19
8 02050060034 Задняя спинка 237 р.
9 70030180327 Корпус
10 02020160618 Плата корпуса
11 03010010022 Болт М5х20
12 02020110019 Виброизолятор 45 р.
12 02020110019 Виброизолятор 45 р.
13 02020160051 Суппорт виброизолятора
14 03040030002 Шайба 5
15 03010060090 Болт М5х50
16 70030010028 Корпус крыльчатки левая 1.024 р.
17 70030090004 Крыльчатка 830 р.
18 70030010033 Корпус крыльчатки правая 1.790 р.
19 03030010013 Гайка М5
20 70030060160 Крышка бака для химикатов 119 р.
21 02070020040 Кольцо уплотнительное крышки 156 р.
22 70030180032 Пробка трубки 16 р.
23 70030170004 Фильтр сетчатый бака 206 р.
24 70050040011 Бак для химикатов 1.454 р.
25 02110030033 Трубка бака 429 р.
26 03110020022 Кольцо уплотнительное
27 70030020018 Адаптер трубки бака 66 р.
28 02020040026 Хомут 22-38
29 02080020011 Трубка гофрированная 125 р.
30 02020040026 Хомут 22-38
31 70050010048 Колено U-образное к трубе 313 р.
32 70030180023 Шплинт
33 70030030048 Заслонка
34 02020040025 Хомут 64-67
35 02020040031 Зажим
36 70050010044 Труба-гофра 340 р.
37 70050010042 Труба №1 к гофре 246 р.
38 70050010023 Труба длинная 257 р.
39 61290120003 Сопло комплект 330 р.
40 02070020026 Прокладка уплотнительная
41 70030180004 Штуцер
42 70030060048 Крышка штуцера
43 02020040005 Хомут
44 01040030011 Пластиковая трубка 1 78 р.
45 03010030002 Болт М5х12
46 02050190018 Кран 64 р.
47 02020160352 Суппорт крана
48 70070030022 Болт М4х12 590 р.
49 01040030011 Пластиковая трубка 2 78 р.
50 02020040003 Хомут
51 70030070358 Рукоятка правая половина
52 02050150039 Винт 3х16
53 70080010026 Шайба
54 70030180154 Штифт
55 02050050065 Контакты выключателя
56 70030070105 Выключатель 16 р.
57 03120030003 Зажим
58 03040050001 Шайба
59 03040010012 Шайба
60 70030070359 Рукоятка левая половина
61 70030070134 Курок газа 66 р.
62 70030070158 Фиксатор рычага газа 111 р.
63 02020160350 Ось фиксатора
64 70080080116 Рукоятка управления комплект 1.241 р.
64 70080080116 Рукоятка управления комплект 1.241 р.
65 70080110019 Комплект для бака химикатов 180 р.
66 01040030002 Шланг гофрированный
67 70050010045 Воздуховод 99 р.
68 70050010046 Трубка горизонтальная
69 70050010047 Трубка вертикальная
70 70030100005 Соединитель
71 02020040007 Зажим
72 020200110018 Пружина рычага газа
73 70030130001 Регулятор сопла
74 03110020005 Кольцо уплотнительное
75 70030080001 Сопло 184 р.
76 70030080016 Распылитель сопла (тип 1)
77 61290120003 Распылитель сопла (тип 2) 330 р.
78 61290120003 Распылитель сопла (тип 3) 330 р.
79 70030180310 Соединитель гофры и колена 134 р.
80 02080020026 Кольцо уплотнительное
81 03060020010 Штифт 1х8
Найдено товаров: 83
1
▲ Наверх
0
8 (925) 663-83-63

Call-центр

пн-вс: 10:00-19:00

НАЙТИ ПО МОДЕЛИ
Введите номер заказа
Введите номер своего заказа, что бы узнать его текущий статус.
Что бы получить доступ к расширенным функциям, пройдите не сложную регистрацию. Зарегистрироваться