8 (925) 663-83-63Call-центр
пн-вс: 10:00-19:00
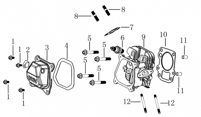
| N | Артикул | Название | Срок отгрузки | Цена | Купить |
| 1 | 380140215-0003 | Болт с фланцемМ6х14 | – | ||
| 2 | 380940347-0001 | Держатель кабельный | – | ||
| 3 | DAA003 | Крышка клапанная | 201 р. | ||
| 4 | DA03B000 | Прокладка клапанной крышки | 40 р. | ||
| 5 | 380140338-0001 | Болт с фланцемМ8х65 | – | ||
| 6 | 270960029-0001 | Свеча зажигания E7RTC | – | ||
| 7 | 180650080-0001 | Прокладка выпускная | – | ||
| 8 | 380180098-0001 | Шпилька М8х34 | – | ||
| 9 | 120080375-0001 | Головка блока пустая | 2.249 р. | ||
| 10 | 120150134-0001 | Прокладка головки блока | 143 р. | ||
| 11 | 380600128-0001 | Штифт направляющий 8х16 | – | ||
| 12 | 380180090-0001 | Шпилька М6х90 | – |
| Найдено товаров: 12 |
|
8 (925) 663-83-63 Call-центр
пн-вс: 10:00-19:00
| Введите номер заказа |
| Введите номер своего заказа, что бы узнать его текущий статус. Что бы получить доступ к расширенным функциям, пройдите не сложную регистрацию. Зарегистрироваться |