Магазин запчастей для бытовой техники - Arlos
Москва
close
Выберите ваш регион
АбаканАлександровАльметьевскАнгарскАрзамасАрмавирАртемАрхангельскАстраханьАчинскБалаковоБалашихаБеларусьБелгородБердскБерезникиБийскБлаговещенскБратскБрянскВеликий НовгородВидноеВладивостокВладикавказВладимирВолгоградВолгодонскВолжскийВологдаВолховВоркутаВоронежВоскресенскВыборгГатчинаГеленджикГрозныйДедовскДербентДзержинскДзержинскийДимитровградДмитровДолгопрудныйДомодедовоДонецкЕвпаторияЕгорьевскЕкатеринбургЕлецЕссентукиЖелезногорскЖелезнодорожныйЖуковскийЗеленоградЗлатоустИвановоИвантеевкаИжевскИркутскИстраЙошкар-ОлаКазаньКалининградКалугаКаменск-УральскийКамышинКаспийскКемеровоКерчьКировКисловодскКлинКовровКоломнаКомсомольск-на-АмуреКопейскКоролёвКостромаКотельникиКрасногорскКраснодарКраснознаменскКрасноярскКурганКурскКызылЛенинск-КузнецкийЛипецкЛобняЛыткариноЛюберцыМагнитогорскМайкопМалаховкаМахачкалаМиассМоскваМурманскМуромМытищиНабережные ЧелныНазраньНальчикНаро-ФоминскНахабиноНаходкаНевинномысскНефтекамскНефтеюганскНижневартовскНижнекамскНижний НовгородНижний ТагилНовокузнецкНовокуйбышевскНовомосковскНовороссийскНовосибирскНовоуральскНовочебоксарскНовочеркасскНовошахтинскНовый УренгойНогинскНорильскНоябрьскОбнинскОдинцовоОктябрьскийОмскОрелОренбургОрехово-ЗуевоОрскПавловский ПосадПензаПервоуральскПермьПетрозаводскПетропавловск-КамчатскийПодольскПрокопьевскПсковПушкиноПятигорскРаменскоеРеутовРостов-на-ДонуРубцовскРыбинскРязаньСакиСалаватСамараСанкт-ПетербургСаранскСаратовСевастопольСеверодвинскСеверскСергиев ПосадСерпуховСимферопольСмоленскСосновый БорСочиСтавропольСтарый ОсколСтерлитамакСтупиноСургутСызраньСыктывкарТаганрогТамбовТверьТихвинТольяттиТомилиноТомскТроицкТулаТюменьУлан-УдэУльяновскУссурийскУсть-ИлимскУфаУхтаФеодосияФрязиноХабаровскХанты-МансийскХасавюртХимкиЧебоксарыЧелябинскЧереповецЧеркесскЧеховЧитаШахтыЩелковоЭлектростальЭлистаЭнгельсЮжно-СахалинскЯкутскЯлтаЯрославль
  • - бесплатно по РФ
    Автоперезвон. Работает по принципу: Вы позвонили на номер, мы сбрасываем звонок и перезваниваем через 3 секунды.
  • - по Москве
  • 8 (925) 663-83-63

Call-центр

пн-вс: 10:00-19:00

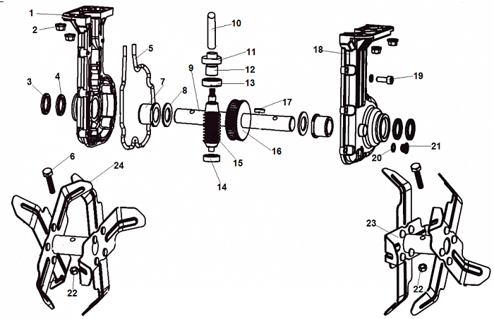
2 РЕДУКТОР - ФРЕЗЫ КУЛЬТИВАТОР CHAMPION EC750

NАртикулНазваниеСрок отгрузкиЦенаКупить
1 WR8001-1400-022 Корпус редуктора правая половина 1.130 р.
2 WR8001-1400-025 Гайка М6
3 WR8001-1400-016 Кольцо защитное сальника 48 р.
4 WR8001-1400-021 Сальник 191 р.
5 WR8001-1400-006 Прокладка редуктора 116 р.
6 WR8001-1400-024 Болт М8х40
7 WR8001-1400-020 Втулка вала 127 р.
8 WR8001-1400-018 Шайба вала 30 р.
9 WR8001-1400-019 Вал привода фрез 921 р.
10 WR8001-1400-069 Вал переходной 227 р.
11 WR8001-1400-014 Сальник 141 р.
12 WR8001-1400-013 Шпиндель 203 р.
13 WR8001-1400-066 Подшипник 6001
14 WR8005-750-009 Подшипник 608
15 WR8005-750-020 Червячный вал 903 р.
16 WR8005-750-019 Ведомая шестерня 1.986 р.
17 WR8001-1400-017 Шпонка 4х4х16 258 р.
18 WR8001-1400-005 Корпус редуктора левая половина 1.115 р.
19 WR8001-1400-001 Болт М6х18
20 WR8001-1400-004 Кольцо уплотнительное
21 WR8001-1400-003 Болт М10х10
22 WR8001-1400-023 Гайка М8
23 WR8005-750-023 Фреза левая 2.258 р.
24 WR8005-750-001 Фреза правая 2.258 р.
Найдено товаров: 24
1
▲ Наверх
0
8 (925) 663-83-63

Call-центр

пн-вс: 10:00-19:00

НАЙТИ ПО МОДЕЛИ
Введите номер заказа
Введите номер своего заказа, что бы узнать его текущий статус.
Что бы получить доступ к расширенным функциям, пройдите не сложную регистрацию. Зарегистрироваться